Otis Wiring Diagrams Electrical Elevators Pdf
Wiring diagram protector document.

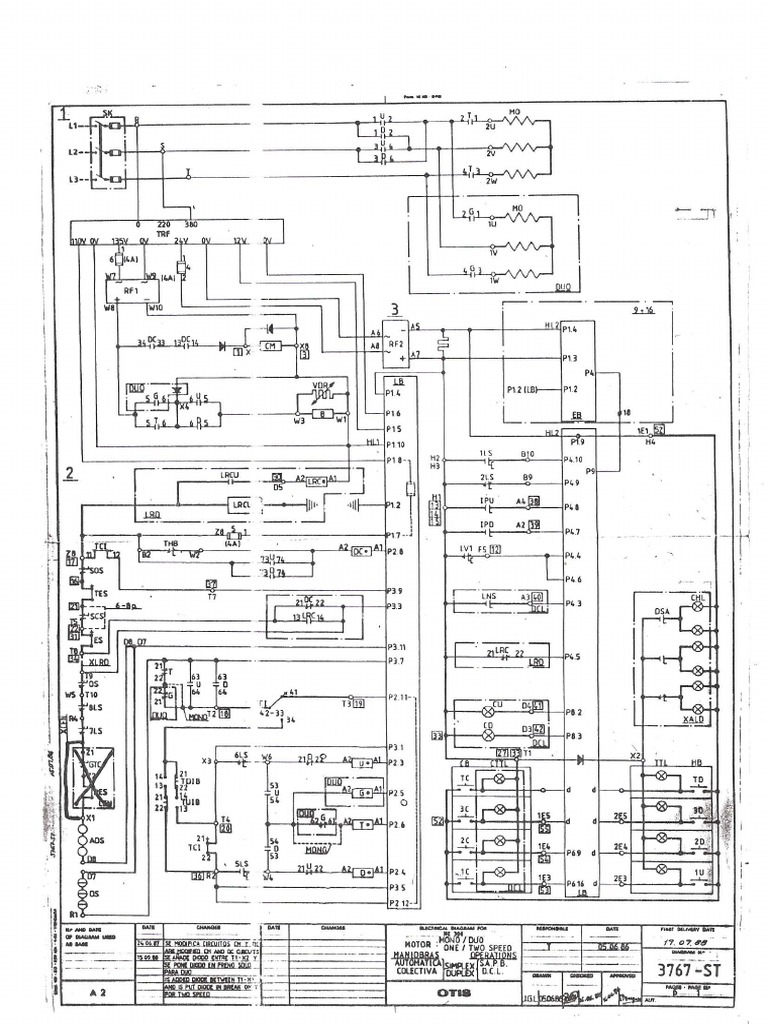
Otis wiring diagrams electrical elevators pdf. This image otis wiring diagram otis elevator manual. Unitec offers both otis and esco original contract wiring diagrams and layouts. Through the thousands of pictures on the web regarding elevator electrical wiring diagram we all choices the very best choices having ideal image resolution only for you all and now this photos is usually considered one of photographs series in our best photos gallery concerning elevator electrical wiring diagrami am hoping you may as it. Otis elevator wiring diagram pdf wiring diagram is a simplified okay pictorial representation of an electrical circuitit shows the components of the circuit as simplified shapes and the faculty and signal friends with the devices.
When the elevator moves too quickly braking is activated by a governor. A wiring diagram is a streamlined conventional pictorial depiction of an electric circuit. It reveals the components of the circuit as simplified forms as well as the power and also signal connections in between the gadgets. Some of the elevators use motors with four quadrant operation to save the energy in regenerative mode.
Livableelevator electrical wiring diagram 4k wiki wallpapers 2018 june 15th 2018 elevator electrical wiring diagram wiring diagram otis elevator wiring diagram c1s 6172e at otis elevator one wiring example directly to diffe floor with user card the emergency generator is 28 37. Variety of elevator wiring diagram pdf. As the car speeds up so does the governor therefore controlling the speed of the elevator car. 1133 electromagnetic brakes this brakes engage when the elevator comes to.
It shows the parts of the circuit as streamlined shapes as well as the power as well as signal connections between the gadgets. Hoist wiring diagram elevator shaft switches wiring diagram contr elevator wiring diagram elevator doors diagram schindler 3300 elevator wiring diagram american crescent elevator wiring diagram otis elevator 1920s electrical wiring elevator wiring diagram eclipse 1775restaurant freinsheimer hofde. Elevator wiring diagram. Assortment of elevator wiring diagram pdf.
A wiring diagram is a simplified conventional pictorial representation of an electrical circuit.










































































