EBOOK
  • Dmca
  • Contact
  • Privacy Policy
  • Copyright

Vw Golf Mk1 Wiring Diagram Pdf

Df 9952 Vw Golf 4 Wiring Diagram Pdf Free Diagram

Df 9952 Vw Golf 4 Wiring Diagram Pdf Free Diagram

Electrical Wiring Diagram Golf 3

Electrical Wiring Diagram Golf 3

Vwvortex Com Wiring Diagram Golf Mk1 Cabrio

Vwvortex Com Wiring Diagram Golf Mk1 Cabrio

1983 Volkswagen Golf Mk1 With Bam 1 8t Swap Drive My Blogs Drive

1983 Volkswagen Golf Mk1 With Bam 1 8t Swap Drive My Blogs Drive

Hyundai H100 Free Wiring Diagram Download

Hyundai H100 Free Wiring Diagram Download

Golf 92 Wiring Diagrams Eng
Mini Mk1 Fuse Box Bmw Palu Ingebeenmode Nl
Mk1 Rev Counter Sender Unit The Volkswagen Club Of South Africa
Aa3f Mk1 Golf Fuse Box Wiring Diagram Wiring Library
Wiring Diagram For Vw Golf Mk1 Misahake 50 Althausbittetzutisch De
2013 Mitsubishi Triton Wiring Diagram Diagram Base Website
C379b11 2003 Vw Golf Fuse Box Wiring Library
Map Sensor Wiring Diagram Youtube
Volkswagen Hazard Switch Wiring Pdf Free Download
Volkswagen Pdf Workshop And Repair Manuals Wiring Diagrams
3bc98 Vw Golf Mk1 1989 Parts Manual Wiring Library
Inspirational Of Vw Golf 1 Wiring Diagram Electrical Volkswagen
Vw Wiring Diagram Pdfs 1982 1983 1984 Chris Chemidl In
Vw Wiring Diagrams
Dw 1336 Mk2 Golf Wiring Diagram Pdf Download Diagram
92a8 Vw T4 Wiring Diagram Pdf Wiring Resources
Df 9952 Vw Golf 4 Wiring Diagram Pdf Free Diagram
Mk1 Golf Alternator Wiring Diagram Lasmanualidaddesdeesther
Wrg 7045 Cat Radio Wiring
Volkswagen Golf Gti Wiring Diagrams Diagram Base Website Wiring
Volkswagen Workshop Manuals Golf Mk1 Power Unit 34 Pict
9406dd Mk1 Caddy Fuse Box Diagram Wiring Library
Free Golf 1 Manual
Https Encrypted Tbn0 Gstatic Com Images Q Tbn 3aand9gcrqsznwsvg0f5b5o E74fqnziy5fcxrhkzej20ht0xmipxvpesd Usqp Cau
Wiring Schematic For 81 84 Rabbit Caddy Pickup Volkswagen Owners
494399 Mk1 Golf Fuse Box Diagram Wiring Library
8c571a9 Vw Mk3 Jetta Instrument Cluster Wiring Diagram Wiring
Wiring A Trailer Socket On A Vw Golf Questions Answers With
Download Citi Golf Fuse Box Diagram Box Diagram
74 Beetle Wiring Diagram For Lights On Ladda Ner Lights On
View Topic Need Help With Wiring Diagrams The Mk1 Golf Owners Club
Mk1 Golf Fuse Box Wiring Diagram Generalmotorspoerts Upin10
Volkswagen Citi Golf Wikipedia
Golf 92 Wiring Diagrams Eng
Vwvortex Com 83 Gti Fuel Pump Relay Wiring
View Topic Workshop Manuals For The Vw Golf Mk1 All Models A
00a Jeep Motorola Alternator Wiring Diagram Wiring Resources
Mk1 Rev Counter Sender Unit The Volkswagen Club Of South Africa
2010 Vw Golf Wiring Diagram Diagram Base Website Wiring Diagram
2010 Vw Golf Wiring Diagram Diagram Base Website Wiring Diagram
Vw Golf Haynes Manual Thingsgreenway
Volkswagen Golf Pdf Workshop And Repair Manuals Carmanualshub Com
Volkswagen Golf Gti Wiring Diagrams Diagram Base Website Wiring
Golf Mk1 Haynes Repair Manual Rapidshare
2559 Vw Golf Mk1 Fuse Box Diagram Wiring Resources
E69a1a6 Vw Golf Gti Mk1 Fuse Box Wiring Library
Volkswagen Golf Pdf Workshop Service And Repair Manuals Wiring
Trailblazer Bose Radio Wiring Diagram Diagram Base Website Wiring
Flashers And Hazards
50c Golf Mk1 Fuse Box Layout Wiring Library
Subaru Obd2 Wiring Diagram Wiring Diagram
Vw Car Manual Pdf Wiring Diagram Fault Codes Dtc
Volkswagen Workshop Manuals Golf Mk1 Power Unit 34 Pict
150 Volkswagen Workshop Repair Manuals Free Download Sar Pdf
Diagram Vw Polo 2001 Wiring Diagram Wiring Diagram
Ffb4d11 Vw Golf Mk1 Fuse Box Diagram Wiring Resources
Volkswagen Golf Free Workshop And Repair Manuals
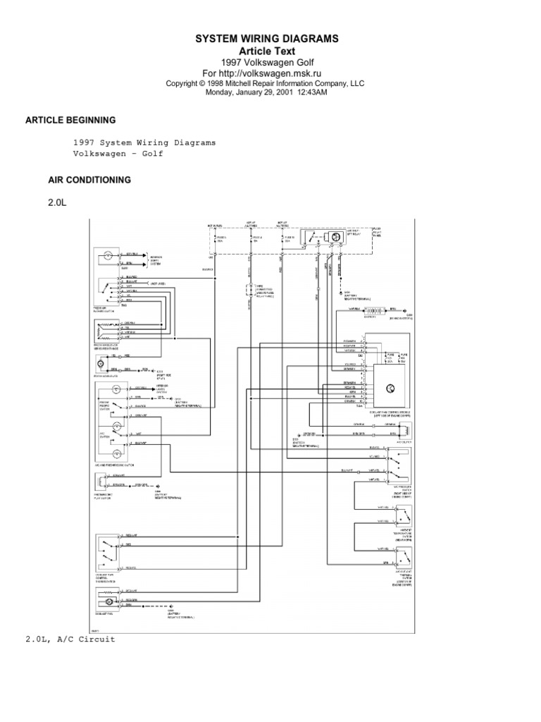
Volkswagen Golf 1997 English Wiring Diagrams Motor Vehicle
Wiring Diagram For Vw Golf Mk1 Camrysde 11 Althausbittetzutisch De
Mk1 Coil Wiring Diagram The Volkswagen Club Of South Africa
Https Encrypted Tbn0 Gstatic Com Images Q Tbn 3aand9gcrix Aazzksa6xltg0yjm9pvox Vshkb8ztxt8mmjqudohyg4yg Usqp Cau
2002 Kawasaki Prairie 400 Wiring Diagram Schematic Diagram Base
521f Mk1 Vw Ignition Wiring Diagram Wiring Library
Electrical System
5c26b8 Golf Mk1 Fuse Box Layout Wiring Resources
Dedicated Vw Mk1 A1 Golf Rabbit Gti 8v 16v Modifica Guides
Df 9952 Vw Golf 4 Wiring Diagram Pdf Free Diagram
5fb Mk1 Golf Cabriolet Fuse Box Layout Wiring Library
Generac Ez Switch Wiring Diagram Wiring Diagrams Library
2
Mk1 Golf Fuse Box Wiring Diagram Generalmotorspoerts Upin10
Diagram 1996 Vw Jetta Wiring Diagram Imuroi Wiring Diagram
Audi A3 Wiring Diagram Pdf Wiring Diagrams All
Https Encrypted Tbn0 Gstatic Com Images Q Tbn 3aand9gcscv92hhaeokzy58qzs1rpwo8plcpmrb Wmcijpmd37wkocqouo Usqp Cau
Df 9952 Vw Golf 4 Wiring Diagram Pdf Free Diagram
Ad2f00 Peugeot 806 Wiring Diagram Download Wiring Resources
Vw Wiring Diagrams
Vw Transporter T3 Diesel Wiring Manual Moeverything S Diary
View Topic Need Help With Wiring Diagrams The Mk1 Golf Owners Club
Volkswagen Fox Wiring Diagrams 1999 To Present Youtube
Electrical System
Volkswagen Golf Gti Wiring Diagrams Diagram Base Website Wiring
Dedicated Vw Mk2 Golf Rabbit Gl Gti 8v 16v Modifica Guides
Ford Bus Manuals Wiring Diagrams Pdf Bus Coach Manuals Pdf
Mk4 Vw Ignition Switch Wiring Diagram Liar Hondawiring Chia
Https Encrypted Tbn0 Gstatic Com Images Q Tbn 3aand9gctsdoxy1u9r2zl6zlk1j1u Dteaelggxelzvtg5z3xquuqbvas1 Usqp Cau
2010 Vw Golf Wiring Diagram Diagram Base Website Wiring Diagram
Diagram 1996 Vw Jetta Wiring Diagram Imuroi Wiring Diagram
Download Golf 1 Alternator Wiring Diagram Wiring Diagram
9fa47f6 Vw Golf Mk1 Fuse Box Wiring Library
79y79q 3 Way Switch Wiring 2002 Dodge Ram 1500 Wiring Diagram
Golf 92 Wiring Diagrams Eng
Volkswagen Rabbit Gti A1 Type 17 1974 1984 Fuse Box
Volkswagen Golf 1997 English Wiring Diagrams Motor Vehicle
Toyota Alternator Wiring Diagram Pdf Diagram Pdf
99j99j 3 Way Switch Wiring 2012 Jetta Speaker Diagram Hd
Controllers For 2010 Jetta Rear Wiring Diagram Diagram Base
2016 Vw Caddy Fuse Box Diagram Lysanns
Wiring Diagram For Vw Golf Mk1 Bmwiok Www Autoservice Manfred

Random Posts

  • Sylvia Plath The Bell Jar Rar Pdf
  • Excursions World Music 6th Edition Pdf
  • Noise And Vibration Analysis Signal Analysis And Experimental Procedures Pdf
  • Electrical Engineering Principles And Applications 5th Edition Solutions Manual Pdf
  • Clinical Aspects Of Dental Materials Theory Practice And Cases 3rd Edition Pdf
  • Handbook Of Clinical Audiology Pdf
  • Ncr Selfserv 34 Tm Atm Operator Overview Tranact Pdf
  • Wilson Usher Guide Pdf
  • Neville Chamberlain And Appeasement Pdf
  • Leveraging Intersectionality Pdf
Dmca Contact Privacy Policy Copyright

Download Or Reading Online Leveraging Intersectionality Pdf Here